Universal Ignition TCI
Již není v prodeji!
Náhradou je zapalování MASTER MINI.
Zapalování je určeno pro dvoutaktní a čtyřtaktní automobilové a motocyklové motory. Umožňuje buzení jedné nebo dvou indukčních cívek s programovým řízení předstihu zážehu a doby buzení cívek.
Technická specifikace
Hlavní charakteristiky zapalování Universal:
- 1× snímací vstup, 2× výstupy TCI, 1× signálový vstup
- podporuje pouze jeden zub na otáčku
- podpora snímačů otáčení HALL, OPTO
- předstih řízen na principu časového zpoždění
- snímání teploty nebo blokování buzení
- omezená podpora cívek TCI, Odpor > 2,5Ω
- 2D mapy předstihu
- komunikace RS232
Snímač otáčení je umístěn externě mimo pouzdro zapalování (+5V,P,Z). S výhodou lze použít Hallův, optický snímač případně je možné použití i indukčního snímače, ale s možností buzení pouze jedné cívky nebo obou cívek současně. Buzení cívek je rozdělováno na základě stavu jediného snímače otáčení (změna H->L nebo L->H). Veškeré funkce a volitelné pracovní režimy zapalování je možné nastavit pomocí osobního počítače. K tomuto účelu slouží aplikace Ignition Control, který současně umožňuje Online vizualizaci skutečných hodnot otáček, předstihu. K propojení osobního počítače a zapalování slouží standardní prodlužovací kabel sériové linky RS232.
Řízení předstihu realizuje mikroprocesor zapalování, který časuje zpoždění zážehu dle zadané křivky předstihu a aktuálních otáček.
Pomocí jediného rozšiřujícího vstupu Ex lze realizovat některou z rozšiřujících funkcí zapalování. Vstup Ex je vnitřně připojen na signály DI1 (volba křivek), DI2 (blokování buzení) a AI1 (změna předstihu na základě teploty nebo podtlaku). Řízení předstihu zážehu je realizováno přepočtem žádané křivky předstihu zážehu na tabulku časových zpoždění. V závislosti na aktuálních otáčkách motoru jsou jednotlivá časová zpoždění z tabulky vybírána a prostřednictvím mikroprocesoru přesně odměřována, čímž dochází k výslednému efektu řízení předstihu.
Aplikace Ignition Control nově poskytuje funkci pro ladění předstihu pomocí akcelerační brzdy, kde se sleduje zrychlení motoru při překonávání vlastní hmoty. Předpokladem je, že zrychlení otáček motoru úměrně odpovídá kroutícímu momentu motoru. Tímto způsobem lze určit relativní výkon a kroutící moment motoru, případně jeho změnu.
Hlavní rysy
- Indukční zapalování typu - TCI
- Rozsah napájecího napětí 3,5 až 25V
- Pracovní otáčky 0 až 25.000ot/min
- Pracovní teplota -40 až 85°C
- Použití robustních konektorů FASTON
- Stupeň krytí IP54
- Komunikace přes COM port (RS232)
- Dvě volitelné křivky předstihu
- Volitelná křivka buzení indukčních cívek
- Rozšířené funkce EX (DI1, DI2, AI1, AI2)
- Změna křivek i za běhu motoru
- Sledování aktuálního stavu motoru
- Záznam doby běhu motoru
- Akcelerační brzda
Základní technické parametry
| Parametr | Rozsah |
| Napájecí napětí | 3,5 až 25V, (přepěť. ochrana 33V) |
| Pracovní otáčky | 0 až 25.000 ot/min |
| Rozsah řízení předstihu | 0 až 90° |
| Pracovní teplota | -40 až 85°C |
| Otáčkový rozsah s řízením předstihu | 180 až 20.500 ot/min |
| Řízení energie jiskry | Tabulkou, Max., Med., Min., Řízená |
| Spínání buzení indukčních cívek | max. 15A/0,085Ω (MOSSFET) |
| Odpor indukčních cívek | > 2,5 ohm (měřeno mezi vývody 1 a 15) |
| Výstup pro napájení čidla (Hall, Opto) | +5V/100mA |
| Rozšířené vstupy (Ex = DI1, DI2, AI1, AI2) | DI (0 až 1V = L, 3 až 20V = H), AI (0 až 5V) |
| Automatické odpojení buzení induk. cívek | Odpojení za 5 až 120s po stopu motoru |
| Vnější rozměry | 120x68x28 mm |
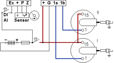
Schéma konektorů zapalování

Význam vodičů konektoru
| Označení | Význam | Rozsah, aktivní úroveň |
| + | Napájení | 3,5 až 25V, (přepěť. ochrana 33V) |
| G | Zemnění napájení, snímače | 0V |
| 1A | Spínání indukční cívky A | Max. 15A /0,085Ω (MOSFET) |
| 1B | Spínání indukční cívky B | Max. 15A / 0,085Ω (MOSFET) |
| +5V | Výstup pro napájení snímačů | +5V, 100mA |
| P | Snímač otáčení | -60 až 60V, vzestupná hrana 0 -> 1,2V |
| Ex | Rozšířený vstup | DI (0 až 1V=L, 3 až 20V=H), AI (0 až 5V) |
Schéma zapojení
Základní schéma zapojení je uvedeno pro variantu se dvěmi indukčními cívkami.

Schéma připojení čidel

Nastavení předstihu
V první fázi je důležité si uvědomit jaký maximální předstih zážehu motor vyžaduje. Tento maximální předstih je nutné nastavit na snímači otáčení (např. 35°) a zároveň jej zadat jako referenční hodnotu do programu v záložce Křivka předstihu do položky Snímač otáčení. Vždy je tedy nutné, aby se hodnota předstihu nastaveném na snímači otáčení shodovala s předstihem zadaným v programu. Od tohoto údaje se odvíjí přepočet křivky předstihu do tabulky a zejména přesnost Online vizualizace aktuálního předstihu. Hodnotu předstihu na snímači otáčení je možné dodatečně opravit porovnáním skutečné hodnoty předstihu zjištěné např. stroboskopem a hodnoty předstihu udávané v Online vizualizaci.
Optický Snímač

Hallův snímač

Řízení předstihu realizuje mikroprocesor zapalování, který časuje zpoždění zážehu dle zadané křivky předstihu a aktuálních otáček.
Na motocyklových motorech se udávají předstihy zážehu pro snazší nastavení v [mm], proto program umožňuje automatický přepočet předstihu z [mm] na [°]. Okno přepočtu předstihu se aktivuje dvojklikem myši v záložce Křivka předstihu a položce Snímač otáčení.
Signalizační kontrolka
Profil všech funkcí zapalování je uložen v paměti zapalování, která si uchovává data i bez napájení. Obsah této paměti je nahrán z programu Ignition Control.
Jestliže paměť ještě nebyla nikdy nahrána nebo došlo k přerušení posledního nahrávání, bude tento stav po zapnutí signalizován krátkým zablikáním červené kontrolky. Veškerá nastavení pak budou daná výrobcem. Správný obsah paměti je signalizován trvalým zeleným svitem kontrolky. Zápis dat z počítače do zapalování je signalizován červeným nepřerušovaným svitem. Přejde-li zapalování do ochranného módu (motor neběží a režim je povolen) dojde ke zhasnutí zeleného svitu kontrolky (indukční cívky nejsou buzeny). Po příchodu impulsu ze snímače otáčení dojde opět k rozsvícení kontrolky (opětovné buzení).
Program Ignition Control
Elektronické zapalování obsahuje řadu funkcí jejichž nastavení lze s výhodou provést prostřednictvím osobního počítače programem Ignition Control. Komunikace s počítačem probíhá prostřednictvím komunikařního rozhraní RS232 s rychlostí 19200Bd. Proto musí být pořítař vybaven alespoň jedním COM portem a nebo převodníkem USB/RS232. Aplikace pracuje pod operačním systémem Windows 95 a vyšší. Instalace vyžaduje 4MB volného prostoru na pevném disku počítače. Minimální konfigurace osobního počítače je Pentium 166MHz s 32MB RAM.
Program Ignition Control je rozdělen do tří samostatných částí:
- Online vizualizace
- Křivka předstihu
- Rozšířené funkce
Online vizualizace zobrazuje tyto základní parametry:
- Otáčky a předstih motoru
- Předstih zážehu
Ke spuštění Online vizualizace je vždy nutné propojení počítače a zapalování sériovým prodlužovacím kabelem, otevření komunikačního portu a spuštění vizualizace tlačítkem Start. V případě, že se po stisku tlačítka Start nezobrazí aktuální data pak zkontrolujte správnost připojení komunikačního kabelu, případně číslo použitého komunikačního portu a správnost napájení zapalování.

Křivka předstihu
Základní vlastností zapalování je řízení předstihu v závislosti na aktuálních otáčkách motoru. K nastavení charakteristiky řízení předstihu slouží záložka Křivka předstihu.

Buzení cívek
Pro optimalizaci typu indukční cívky a jejího buzení slouží položka Energie jiskry. Pro indukční cívky s odporem menším než 4 ohmy (min 2,5 ohmů) je nutné nastavit buzení střední až minimální, které zamezí přebuzení indukční cívky a jejímu přehřívání. Pro cívky s odporem větším než 4 ohmy slouží nastavení buzení střední a maximální. Kompromisem buzení indukční cívky je nastavení pro řízení energie jiskry, které řídí buzení na základě hodnoty palubního napětí.
| Palubní napětí / otáčky | Řízené buzení |
| > 9V | Maximální |
| 9V - 11,5V | Střední |
| < 11,5V / < 3300ot/min | Minimální |
| < 11,5V / 3300 až 6500ot/min | Střední |
| < 11,5V / > 6500ot/min | Maximální |
Průběh buzení je možné zadat vlastní modelováním křivky tahem myší nebo zadat tabulkou. Je možné volit buzení v rozsahu 20 až 95% z doby otáčení. Lze tak snadno kompenzovat zásadní nevýhodu indukčních zapalování a to pokles proudu s růstem otáček. Vhodný průběh přidává buzení pro start a pak prudce klesne na volnoběžné buzení a pak opět roste při zvyšování otáček viz. graf Předdefinované průběhy buzení cívek.
Předdefinované průběhy buzení cívek

Akcelerační brzda
Mezi nové funkce Online vizualizace patří Akcelerační brzda, která provádí rychlý 5s záznam otáček motoru s následným výpočtem derivace (zrychlení) otáček, která úměrně odpovídá kroutícímu momentu motoru.
Průběh měření
- Před použitím je vhodné zkontrolovat zadání Omezení otáček motoru
- Necháme motor běžet na volnoběžné otáčky a připravíme se na jeho zrychlení
- Stiskneme tlačítko start
- Odměření doby 1s do spuštění záznamu
- Probíhá samotný záznam po dobu 5s
- Ukončení záznamu a vyčtení naměřených hodnot otáček ze zapalování
- Zobrazení a přepočet naměřených hodnot do grafu


Proč použít bezkontaktní elektronické zapalování Universal Ignition
Elektronické zapalování umožňuje velmi přesné řízení předstihu, což má za následek výrazné zlepšení chodu motoru v širokém rozpětí otáček motoru. Dochází ke zlepšení startování (optimální předstih), zvýšení výkonu motoru (vysoká energie jiskry) a při dodržení pravidel úsporné jízdy dojde i ke snížení spotřeby. Zapalování zaručeně pracuje při napětích od 3,5V do 25V.
CZ