Jawa 500 OHC Ignition TCI V2.0
Zapalování umožňuje zcela nezávislé buzení dvou indukčních cívek. Veškeré funkce a volitelné pracovní režimy zapalování je možné nastavit pomocí osobního počítače. K tomuto účelu slouží program Ignition Control, který současně umožňuje Online vizualizaci skutečných hodnot otáček, předstihu a všech analogových a digitálních vstupů. K propojení osobního počítače a zapalování slouží standardní prodlužovací kabel sériové linky RS232.
Technická specifikace
Dotaz na set jako náhrady za Jawu 500 OHC:
Nejbližší řešení pro JAWU 500 OHC, které můžeme doporučit je příklad zapojení BMW R50/5 - R100 KIT. Tedy kombinace MASTER-LITE a snímače N08. Před zakoupením je potřebné změřit potřebou délku mezi kabelem a snímačem, případně nechat kabely v originální délce. Bohužel instalaterskou firmu nemáme, takže přizpůsobení zůstává na zákazníkovi.
Pomocí jediného digitálního vstupu je možné přepínání křivek předstihu. Řízení předstihu zážehu je realizováno přepočtem žádané křivky předstihu zážehu na tabulku časových zpoždění. V závislosti na aktuálních otáčkách motoru jsou jednotlivá časová zpoždění z tabulky vybírána a prostřednictvím mikroprocesoru přesně odměřována, čímž dochází k výslednému efektu řízení předstihu.
Základní technické parametry
| Parametr | Rozsah |
| Napájecí napětí | 3,5 až 25V, (přepěť. ochrana 33V) |
| Pracovní otáčky | 0 až 25.000 ot/min |
| Rozsah řízení předstihu | 0 až 90° |
| Pracovní teplota | -40 až 70°C |
| Otáčkový rozsah s řízením předstihu | 500 až 20.500 ot/min |
| Řízení energie jiskry | Max., Med., Min., Řízená (dle napětí sítě) |
| Spínání buzení indukčních cívek | max. 15A |
| Měření napětí sítě (palubní napětí) | není měřeno |
| Digitální vstupy (DI1) | 0 až 1V = L, 3 až 20V = H |
| Automatické odpojení buzení indukčních cívek | Odpojení za 5 až 120s po zastavení motoru |
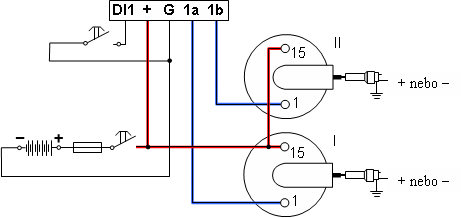
Schéma konektorů zapalování a clony optické závory

Význam vodičů konektoru
| Označení | Význam | Rozsah, aktivní úroveň |
| DI1 | Digitální vstup | 0-3V -> L, 3-12V -> H |
| + | Napájení | 3,5 to 25V, (ochrana 33V) |
| G | Zemnění | 0V |
| 1a | Spínání indukční cívky A | < 15A |
| 1b | Spínání indukční cívky B | < 15A |
Schéma zapojení
Základní schéma zapojení je uvedeno pro variantu se dvěmi indukčními cívkami. V případě varianty s jednou indukční cívkou odpadá snímač a cívka s označením II.

Nastavení předstihu
Posledním a nejdůležitějším bodem instalace je správné nastavení zapalování tak, aby mohlo bezchybně plnit veškeré požadované funkce.
V první fázi je důležité si uvědomit jaký maximální předstih zážehu motor vyžaduje. Tento maximální předstih je nutné nastavit na snímači otáčení (např. 35°) a zároveň jej zadat jako referenční hodnotu do programu v záložce Křivka předstihu do položky Snímač otáčení. Vždy je tedy nutné, aby se hodnota předstihu nastaveném na snímači otáčení shodovala s předstihem zadaným v programu. Od tohoto údaje se odvíjí přepočet křivky předstihu do tabulky a zejména přesnost Online vizualizace aktuálního předstihu. Hodnotu předstihu na snímači otáčení je možné dodatečně opravit porovnáním skutečné hodnoty předstihu zjištěné např. stroboskopem a hodnoty předstihu udávané v Online vizualizaci.
Na motocyklových motorech se udávají předstihy zážehu pro snazší nastavení v [mm], proto program umožňuje automatický přepočet předstihu z [mm] na [°]. Okno přepočtu předstihu se aktivuje dvojklikem myši v záložce Křivka předstihu a položce Snímač otáčení.
Program Ignition Control
Elektronické zapalování obsahuje řadu funkcí jejichž nastavení lze s výhodou provést prostřednictvím osobního počítače programem Ignition Control. Komunikace s počítačem probíhá prostřednictvím komunikačního rozhraní RS232 s rychlostí 19200Bd. Proto musí být počítač vybaven alespoň jedním COM portem a nebo převodníkem USB/RS232. Aplikace pracuje pod operačním systémem Windows 95 a vyšší. Instalace vyžaduje 4MB volného prostoru na pevném disku počítače. Minimální konfigurace osobního počítače je Pentium 166MHz s 32MB RAM.
Online vizualizace
Vždy při instalaci, nastavení a provozu zařízení je důležité mít možnost zpětné kontroly nad instalovaným zařízením. Proto také i zapalování poskytuje možnost připojení a získávání aktuálních hodnot i za běhu motoru.
Online vizualizace zobrazuje tyto základní parametry:
- Otáčky motoru
- Předstih zážehu
- Digitální vstup (DI1)
Ke spuštění Online vizualizace je vždy nutné propojení počítače a zapalování sériovým prodlužovacím kabelem, otevření komunikačního portu a spuštění vizualizace tlačítkem Start. V případě, že se po stisku tlačítka Start nezobrazí aktuální data pak zkontrolujte správnost připojení komunikačního kabelu, případně číslo použitého komunikačního portu a správnost napájení zapalování.
Křivka předstihu
Základní vlastností zapalování je řízení předstihu v závislosti na aktuálních otáčkách motoru. K nastavení charakteristiky řízení předstihu slouží záložka Křivka předstihu. Pro snadnou editaci křivky slouží Editor Křivky. Umožňuje rychlé vytvoření automatického průběhu křivky s lineárním nebo logaritmickým průběhem případně umožňuje zadání zkrácené tabulky.

Rozšířené funkce
Zejména pro zvýšení bezpečnosti provozu a také pro vyšší možnosti při nastavení křivky předstihu zapalování slouží rozšířené funkce. Rozšířené funkce tvoří soubor digitálních vstupů DI1. Funkce jednotlivých rozšiřujících vstupů a výstupů lze libovolně povolovat a případně také invertovat.
- Odpojení buzení 5 až 120s
Povolení automatického vypnutí buzení indukčních cívek po uplynutí nastavené doby 5 až 120s. Toto opatření zamezuje zničení indukčních cívek trvalým budícím proudem.
- Omezení otáček 1000 až 25000ot/min
Povolení funkce omezení otáček způsobí pravidelné přerušování buzení indukční cívky, po překročení zvolené meze otáček.
- Bezpečnostní stop 1000 až 28000ot/min
Překročení nastavených otáček způsobí úplné přerušení buzení. Činnost buzení je opět obnovena po zastavení motoru.
- DI1 - Přepínání Křivka 1 / Křivka 2
Umožňuje snadné přepínání křivek předstihu kdykoli za běhu motoru. Není-li funkce aktivována je pro řízení vždy použita Křivka 1.
Schéma clony a montáž


Montáž desky Boční pohled na stínítko

Rozměry stínítka
Natočení stínitka vzhledem k horní úvrati musí být provedeno tak, aby změna osvětlení snímače (světlo/tma nebo tma/světlo) byla 30° až 35° před horní úvratí obou válců.
Návod k montáži

1-"červík"4 ks 9-šroubky k přichycení2 ks
2-matka6 ks 10-šroubky ke konektoru2 ks
3-podložka8 ks 11-podložka pod stínítko1 ks
4-zapalování1 ks 12-stínítko1 ks
5-distanční sloupky2 ks 13-úchyt stínítka1 ks
6-matky ke konektoru2 ks 14-koncová podložka1 ks
7-držák konektoru2 ks 15-zajišťovací šroub1 ks
8-podložky ke konektoru3 ks
Všechny výše uvedené součásti jsou dodávány v setu se zapalováním a jsou v ceně.
Fotodokumentace


Proč použít zapalování Jawa 500 OHC Ignition
Elektronické zapalování umožňuje velmi přesné řízení předstihu, což má za následek výrazné zlepšení chodu motoru v nízkých a zejména pak ve vysokých otáčkách. Dochází ke zlepšení startování (optimální předstih), zvýšení výkonu motoru (vysoká energie jiskry) a při dodržení pravidel úsporné jízdy dojde i ke snížení spotřeby. Zapalování je možné použít bez úprav pro 6V i 12V el. (zaručeně pracuje při napětích od 3,5V do 25V).
CZ